○島尻消防組合消防本部予防技術資格者の認定等に関する要綱
平成26年8月1日
訓令第1号
(趣旨)
第1条 この訓令は、消防力の整備指針第32条第3項の規定に基づき、予防技術資格者の資格を定める件(平成17年消防庁告示第13号。以下「資格者告示」という。)に定める予防技術資格者の認定等に関する手続きについて、必要な事項を定めるものとする。
(予防業務の指定)
第2条 資格者告示第1条各号に規定する予防業務は、消防本部予防課及び消防署査察担当における業務又はこれに相当する係における業務とする。
(予防技術資格者の認定と区分)
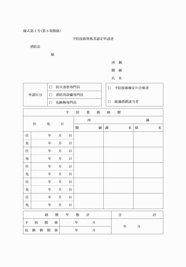
第3条 次に掲げる区分の予防技術資格を有する者は、消防長へ予防技術資格者認定申請書(様式第1号)に予防技術検定の合格を証する書面等の写しを添付し、申請するものとする。
(1) 防火査察専門員 次のいずれかに該当する者とする。
ア 消防庁長官が指定する試験(以下「予防技術検定」という。)のうち防火査察の区分に合格した消防職員
イ 防火管理、防火査察又は違反処理に関する業務に従事した経験を有する資格者告示附則第4項各号に該当する消防職員(平成23年3月31日までに消防長に認定された者に限る。)
(2) 消防用設備等専門員 次のいずれかに該当する者とする。
ア 予防技術検定のうち消防用設備等の区分に合格した消防職員
イ 消防同意又は消防用設備等に関する業務に従事した経験を有する資格者告示附則第4項各号に該当する消防職員(平成23年3月31日までに消防長に認定された者に限る。)
(3) 危険物専門員 次のいずれかに該当する者とする。
ア 予防技術検定のうち危険物の区分に合格した消防職員
イ 危険物に関する業務に従事した経験を有する資格者告示附則第4項各号に該当する消防職員(平成23年3月31日までに消防長に認定された者に限る。)
2 資格者告示第1条各号及び附則第4項第1号に規定する予防業務又は資格者告示附則第4項各号に規定する指定予防業務に従事した年数は、消防長が職員の勤務経歴により判断するものとする。
2 消防長は、申請に基づき認定した者を、予防技術資格者認定名簿(様式第3号)に登録するものとする。
(予防技術資格者の認定の取消し)
第5条 消防長は、資格者が次に掲げるいずれかに該当した場合、認定を取消すことができる。
(1) 所属長が、資格者としてふさわしくない行為を行ったと判断した場合。
(2) 資格者本人が、認定の取消しを申し出た場合。
(3) その他、認定の取消しが必要であると認めた場合。
(予防技術資格者の配置)
第6条 消防長は、火災の予防を担当する係等に、当該係等の業務内容に応じた予防技術資格者(第3条第1項各号に基づく専門員)を1人以上配置するものとする。ただし、当該係等の業務内容に応じた区分の資格者を配置できない場合には、他の区分の資格者を配置することができるものとする。
(予防技術資格者の資質等)
第7条 予防技術資格者は、予防業務を円滑に処理するため、常に最新の法令等に精通するよう努めなければならない。
2 消防長は、必要に応じて予防技術資格者に対し、各種講習会等への受講派遣を行い、火災の予防に関する業務を遂行できるよう努めるものとする。
(1) 資格者告示第2条第1号に該当する者 予防技術検定受検資格証明書(様式第4号)
(2) 資格者告示第2条第4号に該当する者 予防技術検定受検資格証明書(様式第5号)
(委任)
第9条 この訓令に定めるもののほか、この訓令の施行に関し必要な事項は、消防長が別に定める。
附則
この訓令は、公布の日から施行する。
附則(平成30年訓令第9号)
この訓令は、公布の日から施行し、平成30年4月1日から適用する。
附則(令和7年訓令第1号)
この訓令は、令和7年4月1日から施行する。
別表(第4条関係)
予防技術資格者章(バッジ) | 予防技術資格者章(バッジ)の種類 |
(1) 予防技術資格取得数が1区分の消防職員 |
|
(2) 予防技術資格取得数が2区分の消防職員 |
|
(3) 予防技術資格取得数が3区分の消防職員 |
|
備考
予防資格者章(バッジ)の仕様は、次のとおりとする。
1 予防技術資格者部分の台座は、(1)銅色・(2)銀色・(3)金色とする。
2 予防技術資格者部分の文字は、黒色とし、MS明朝体とする。
3 寸法・厚みについては、25mm×75mm・2mmとする。







